+86-0523-83274900
Storz Adapter Couplings - Pria Machino
Rumah / Produk / Adaptor / Storz Adapter Couplings - Pria Machino

Storz Adapter Couplings - Pria Machino

Kopling adaptor digunakan untuk menghubungkan atau mengonversi antara berbagai standar dan jenis alat kelengkapan. Mereka memungkinkan antarmuka yang tidak kompatibel untuk dihubungkan satu sama lain dengan mulus.

Kopling adaptor termasuk, tetapi tidak terbatas pada: Jerman ke Storz (pria/wanita), Jerman ke kehutanan, penguncian diri Jerman ke Jerman, Jerman menjadi flensa, Jerman ke multi-gigi, menyimpan laki-laki untuk menyimpan wanita, menyimpan kehutanan, dll.
Semua jenis kopling adaptor dapat disesuaikan berdasarkan permintaan.

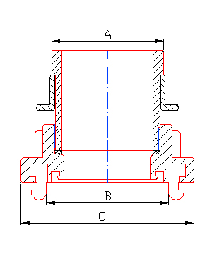
Ukuran Sumber daya

Item no.

DIN/MM

Dia

A/mm

B/mm

C/mm

/

25/40

1 "/1.5"

29

53

82

25/50

1 "/2"

29

66

98

25/65

1 "/2.5"

29

76

110

25/80

1 "/3"

29

89

126

40/40

1.5 "/1.5"

43.6

53

82

40/50

1.5 "/2"

43.6

66

98

40/65

1.5 "/2.5"

43.6

76

110

40/80

1.5 "/3"

43.6

89

126

50/50

2 "/2"

55.6

66

98

50/65

2 "/2.5"

55.6

76

110

50/80

2 "/3"

55.6

89

126

65/65

2.5 "/2.5"

68.5

76

110

65/80

2.5 "/3"

68.5

89

126

80/80

3 "/3"

81.5

89

126

* Bahan dan proses pembuatan dapat disesuaikan berdasarkan permintaan.
* Persyaratan lain (seperti tekanan kerja, tekanan burst, dll.) Juga dapat disesuaikan sesuai kebutuhan.

JIANGSU JINDING Fire Protection Technology Co., Ltd.
Jiangsu Jinding Fire Protection Technology Co., Ltd., yang berlokasi di Zona Pengembangan Ekonomi Jiang Su Xinghua, didirikan pada tahun 1998. Ini adalah perusahaan industri yang mengintegrasikan desain, pengembangan, produksi, dan penjualan. Perusahaan telah lulus ISO9001: 2015 Sertifikasi Sistem Kualitas dan Sertifikasi Sukarela Produk, dan Produk Terkait telah memperoleh laporan inspeksi Pusat Pengawasan dan Inspeksi Kualitas Peralatan Kebakaran Nasional.
Perusahaan kami terutama memproduksi beberapa rangkaian produk, termasuk kopling pemadam kebakaran, nosel air, hidran kebakaran, kopling pipa berdiameter besar, dan kopling pasokan air ladang minyak. Produk-produk ini banyak digunakan dalam industri proteksi kebakaran, perminyakan, kimia, militer, dan lainnya.
Perusahaan ini memiliki kemampuan R&D independen yang baik dan memiliki serangkaian proses produksi lengkap seperti manufaktur cetakan, pemrosesan produksi dan pengujian produk. Pada saat yang sama, perusahaan ini mementingkan persyaratan pelanggan, tepat waktu memahami dinamika pasar, terus mengembangkan dan menghasilkan produk baru, dan memenangkan kepercayaan dan pujian pelanggan baru dan lama.
Perusahaan memberikan layanan yang dapat diandalkan Storz Adapter Couplings - Pria Machino dan layanan profesional berdasarkan komitmen kualitas dan kemitraan kolaboratif, berusaha membangun hubungan kerjasama yang berkelanjutan dengan klien.
27+

27 tahun industri Pengalaman manufaktur

Sertifikat
Berita
Mari kita percakapan
Sapa saja dan kami akan memulai kolaborasi yang bermanfaat. Mulailah kisah sukses Anda sendiri.
Butuh peralatan untuk bisnis Anda?
Biarkan tim kami memberi Anda solusi khusus.