+86-0523-83274900
Storz Small kopling berulir

Storz Small kopling berulir

Storz Threaded Coupling milik seri Storz Coupling, dengan satu ujung yang menampilkan utas internal atau eksternal dan ujung lainnya memiliki a Kopling tipe cakar Storz.
Kopling ini digunakan untuk Hubungkan selang api dan peralatan pemadam kebakaran (seperti pompa api, selang api, dan hidran api).
Kisaran untuk Produksi ukuran kecil adalah 20-65.

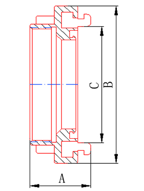
Ukuran Sumber daya

Item no.

DIN/MM

Dia

A/mm

B/mm

C/mm

KY-M

Ky-f

25

1 "

39.7

55

31

40

1.5 "

39.5

79

52

50

2 "

52

98

66

65

2.5 "

52

118

81

80

3 "

55

126

89

100

4 "

60

156

115

110

大 4 "

63

182

133

125

5 "

66

196

148

150

6 "

80

215

160

* Bahan dan proses pembuatan dapat disesuaikan berdasarkan permintaan.
* Persyaratan lain (seperti tekanan kerja, tekanan burst, dll.) Juga dapat disesuaikan sesuai kebutuhan.

JIANGSU JINDING Fire Protection Technology Co., Ltd.
Jiangsu Jinding Fire Protection Technology Co., Ltd., yang berlokasi di Zona Pengembangan Ekonomi Jiang Su Xinghua, didirikan pada tahun 1998. Ini adalah perusahaan industri yang mengintegrasikan desain, pengembangan, produksi, dan penjualan. Perusahaan telah lulus ISO9001: 2015 Sertifikasi Sistem Kualitas dan Sertifikasi Sukarela Produk, dan Produk Terkait telah memperoleh laporan inspeksi Pusat Pengawasan dan Inspeksi Kualitas Peralatan Kebakaran Nasional.
Perusahaan kami terutama memproduksi beberapa rangkaian produk, termasuk kopling pemadam kebakaran, nosel air, hidran kebakaran, kopling pipa berdiameter besar, dan kopling pasokan air ladang minyak. Produk-produk ini banyak digunakan dalam industri proteksi kebakaran, perminyakan, kimia, militer, dan lainnya.
Perusahaan ini memiliki kemampuan R&D independen yang baik dan memiliki serangkaian proses produksi lengkap seperti manufaktur cetakan, pemrosesan produksi dan pengujian produk. Pada saat yang sama, perusahaan ini mementingkan persyaratan pelanggan, tepat waktu memahami dinamika pasar, terus mengembangkan dan menghasilkan produk baru, dan memenangkan kepercayaan dan pujian pelanggan baru dan lama.
Perusahaan memberikan layanan yang dapat diandalkan Storz Small kopling berulir dan layanan profesional berdasarkan komitmen kualitas dan kemitraan kolaboratif, berusaha membangun hubungan kerjasama yang berkelanjutan dengan klien.
27+

27 tahun industri Pengalaman manufaktur

Sertifikat
Berita
Mari kita percakapan
Sapa saja dan kami akan memulai kolaborasi yang bermanfaat. Mulailah kisah sukses Anda sendiri.
Butuh peralatan untuk bisnis Anda?
Biarkan tim kami memberi Anda solusi khusus.